单相电动机出现电容故障应该怎样检修呢?
对于单相电容启动电动机、单相电容启动运转电动机及单相电容运转电动机来说,电容都是必不可少的重要元件。电容的质量直接影响单相电动机能否正常可靠的工作。造成电容发生故障的原因有以下几种:
①电容因长期使用,引线头断开,或者长期存放过程中,由于保管不善而受潮腐蚀、漏电,使引线霉烂,导致引出线接触不良、断线或失效。电容断路则副绕组电路不通,电动机便无法启动运转。
②当电动机长期在过高电压下运行,电容的绝缘介质因击穿而短路或断路。若短路的电容接在副绕组中,因回路中电流过大,会导致副绕组过热或烧毁。
③当电解电容或复合介质金属化电容因质量问题或受潮等原因而容量逐渐变小、自然失效时,电动机的启动转矩将随之降低,会造成电动机启动困难或不能启动。自然失效的电容将使电动机运转失常或倒转,有时当电动机通电后不转时,若转动电动机,则会按转动方向旋转。
电容发生故障时,可采取以下方法进行检查:
a、用万用表欧姆挡检查
在检查前应将电容两脚用螺丝刀或一支表笔短接进行放电,以确保安全。之后用万用表×1KΩ或×10KΩ挡接触电容的两个引线端,观察万用表指针摆动情况。
①当指针向电阻为零方向摆动,且幅度较大,而后指针慢慢回到几百千欧以上阻值,则说明电容器良好。
②当指针摆动到电阻为零位置后不再返回,说明电容器短路。
③若指针静止不动,说明电容已断路。
④当指针摆动至某位置后即停下不返回,说明电容严重漏电,指针指示的电阻值即为漏电电阻值。
⑤若指针摆动幅度比正常电容幅度小时,说明电容的容量降低。
⑥用万用表×100挡,将一支表笔分别接电容的两引脚,另一支表笔接电容的外壳,若指针指零,说明电容对外壳短路。
采用×1KΩ或×10KΩ挡测量电容时,为防止影响测量结果,不能用手捏两支表笔的金属部分。
b、充电检查法
将电容接至交流电源1~2s,不能超过3s,以防烧毁电容。之后用螺丝刀将电容器两引脚短接一下,观察放电情况。正常情况下,电容量越大,放电能量越强,火花越清脆强烈;若无火花,说明电容容量减小或断路。为防止发生危险,检查时不能用手触摸电容的两只引脚。
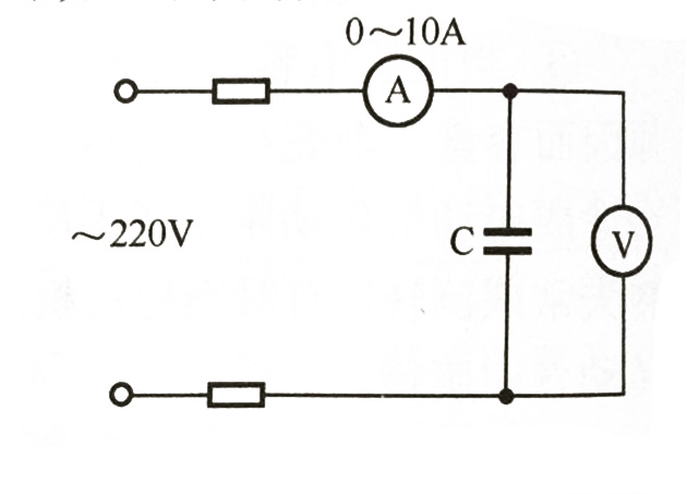
c、电容容量测试法
为了检查电容的容量是否减小失效,可采用下图所示方法进行电容量测试。

电容容量测试法
将电流表与电压表分别与电容串联及并联,之后接至适当交流电源上,其电源电压应小于电容的额定电压。对于电解电容,通电时间应控制在数秒钟内,以防损坏电解电容。记录电流表和电压表上面的读数,之后按下式计算电容的容量:
C=3180
I/U(uF)
式中 I-----电流表读数,A;
U-----电压表读数,V。
将计算出的电容容量值与电容标称容量相比较,若计算值小于电容额定值的60%,则说明电容已失效,应进行更换。
经检查,当电容发生短路、断路或电容容量降至不能满足电动机正常运转要求时,应更换型号、容量相同的电容。
----- 责任编辑:大兰油泵电机02-采购顾问
版权所有//www.phonenos.com(大兰电机)转载请注明出处












