液压电机的定子绕组为什么会发生短路故障?短路故障应如何判断?
液压电机定子绕组短路是指绕组的线圈导线绝缘损坏,使不应该相通的线匝直接接触,构成一个低阻抗环路。绕组一旦短路,立即造成定子的磁场分布不均匀,三相电流不平衡,使液压油泵电机的震动及噪声加剧,严重时液压电机不能启动,短路电流将导致线圈迅速发热,甚至烧毁。根据这些故障现象。可判断液压电机的定子绕组存在短路故障。
油泵电机定子绕组短路故障主要分为:相间短路——两相绕组之间短路、匝间短路——同一只线圈内导线之间短路、极相组短路——同一个极相组的两根引出线间或线圈间短路(这种比较少见)。
油泵电机定子绕组发生短路故障的原因如下:
①检修或安装时操作不慎,使绕组绝缘擦破碰壳,或因运转中发热、震动、受潮等原因导致铁芯槽口处绕组绝缘老化被电压击穿而造成绕组对地短路。
②绕组端部相间绝缘没垫好、绕组间接线套管没套好、引出线套管没套好或层间绝缘没垫好,造成相间短路。
③电源电压过高、三相异步电动机电流过大,线圈端部碰伤、绕组受潮绝缘老化或绕制时导线绝缘擦破而造成匝间短路。
油泵专用电机短路故障可以从下面几种方法进行判断:
①观察法
绕组一旦发生短路故障,短路的绕组往往被烧毁,短路点附近的绝缘被烤焦,电动机发热或冒烟,熔体熔断。根据上述绕组短路产生的故障现象,可拆开电动机检查有无烧焦、烧断痕迹。若未发现这些迹象,则短路可能发生在槽内。
②通电加热法
在缺乏测量仪表的情况下,可让电动机空载运行20min,若发现异常应立即停车,之后迅速将其拆卸,用收触摸绕组各部,若有一个或一组线圈过热,则表明这部分线圈短路。另外,也可检查线圈端部绝缘是否变脆来确定短路线圈。
③直流电阻法
当绕组短路情况比较严重时,可用电桥测量各相绕组的直流电阻,电阻值较小的绕组即为短路绕组,通常阻值偏差不超过5%视为正常。为使测量方便及准确,一般是测量两相串联后的电阻,如图中(a)所示,再按下式计算各相电阻:R3=(R1-3+R2-3-R1-2)/2 , R1=R1-3-R3,R2=R1-2-R1。
若电动机绕组为△形接法,应拆开一个连接点在进行测量,如下图中(b)所示。

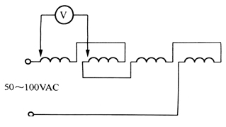
④电压法
将一相绕组各极相组连接的绝缘套管剥开,在该相绕组中通入50~100V低压交流电货12~36V直流电,用电压表测量每组极相组的电压,读数较小的一组即为短路绕组,如下图所示。

为进一步确定是哪一只线圈短路,可将低压电源改接在极相组的两端,然后再电压表上连接两根套有绝缘的插针,分别刺入每只线圈的两端,其中测得电压最低的线圈即为短路线圈。
⑤短路侦察器法
它是检查绕组是否短路最简单有效的方法,如下图所示。

将侦察器放在定子铁芯中欲检查的线圈边的槽口上,给短路侦察器通入交流电,这时短路侦察器与定子铁芯构成一个磁回路,短路侦察器的线圈相当于变压器的初级绕组,而被检测的绕组则相当于变压器的次级绕组。当被检查的绕组短路时,串于短路侦察器回路中的电流表读数就大;或放在被检查绕组另一边槽口上的薄铁片被吸引而产生震动,发出“吱吱”声。
----- 责任编辑:大兰油泵电机02-采购顾问
版权所有//www.phonenos.com(大兰电机)转载请注明出处












